
 
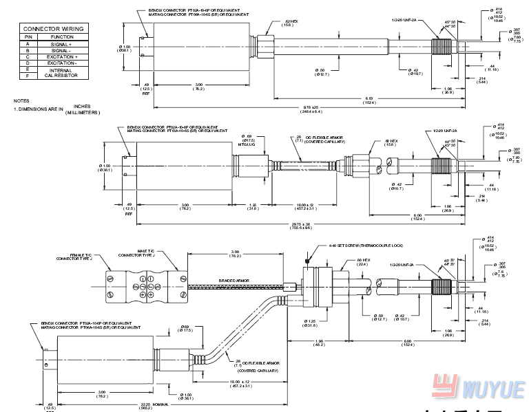
                                    DYNISCO高溫熔體壓力傳感器PT492標準型,帶柔性管的熔體壓力傳感器描述美國DYNISCO高溫熔體壓力傳感器 為了開拓中國市場,在保持DYNISCO熔體壓力傳感器產品原有優秀品質的基礎上,為滿足中國塑料,橡膠機械的產品需要,特別推出適合中國市場的“PT492系列熔體壓力傳感器。…
 
                                    特性: ★ 精度:高于0.5% ★ 輸出:滿量程3.33mV/V ★ 內部80%校驗 ★ 量程:從0-500psi到 0-30,000psi ★ 良好的穩定性和重復性 ★ 通過CE認證 PT460E高溫熔體壓力傳感器 (high temperature melt pressure sensor)
 
                                    特性: ★ 精度:高于1% ★ 輸出:滿量程3.33mV/V ★ 厚膜片材料Inconel,適合于磨損較大的環境 ★ 超耐用專利傳感元件 ★ 熱穩定性優越 ★ 量程:從0-3000psi到0-30,000psi ★ 內部80%校驗 ★ 通過CE認證 PT460XL高溫熔體壓力傳感器(high temperature melt pressure senso…
 
                                    特性: ★ 精度:0.25% ★ 輸出:滿量程3.33mV/V ★ 內部80%校驗 ★ 量程:從0-500 psi到 0-30,000psi ★ 熱穩定性和重復性精度高 ★ 通過CE認證 PT420A高溫熔體壓力傳感器 (high temperature melt pressure sensor)
 
                                    特性: ★ 精度:0.25% 量程:從0-500psi到0-10,000psi ★ 輸出:滿量程3.33mV/V 良好的熱穩定性和重復性 ★ 測量部位溫度可達到1,000'F(538℃) 通過CE認證 ★ 膜片材料Inconel 美國食品及藥品管理局(FDA) ★ 內部80%校驗 安全認證(GRAS) PT410高溫熔體壓力傳感器(high tem…
