
 
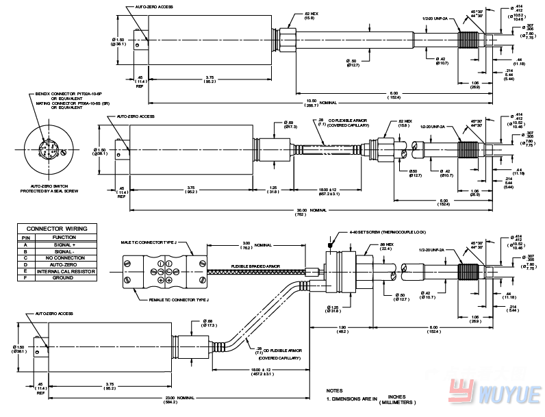
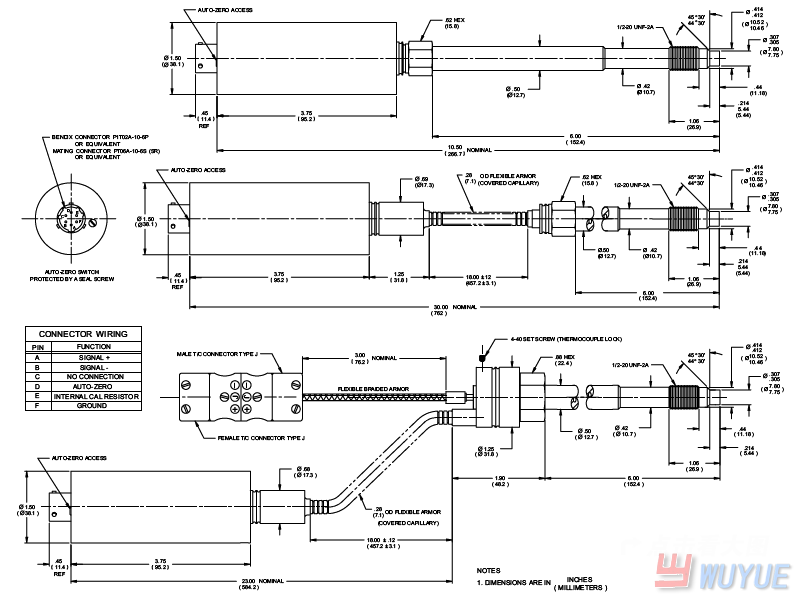
                                    描述: Dynisco的RMT(可縮進式熔溫熱電耦)和GRMT(漸變可縮進式熔溫熱電耦)型產品用于測量熔化流體的內部溫度。熱電耦接點浸沒在熔化流體內的深度可變,可在最大的流量和壓力條件下從零點直到熔化流體的中間,無需從適配器中取下熱電耦。有了Dynisco的可縮進式熔溫熱電耦…
 
                                    特性: ★輸出:4-20mA/0-5V/0-1OV ★量程:從0-500psi到0-30,000psi ★抗干擾性強 ★直接輸入到上位控制系統 ★具有柔性管,使應變片及變送部分遠離高溫區 ★良好的穩定性和重復性 ★精度: 0.5% ★內部80%校驗 ★通過CE認證 PT4624/PT4625/PT4626高溫熔體壓力變送器(high …
 
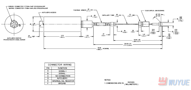
                                    特性: ★裝有J型熱電耦.可以同點測量溫度 ★量程:從0-500psi到0-30,000psi ★抗干擾性強 ★熱電耦可以在現場拆卸和更換 ★具有柔性管,使應變片及變送部分遠 ★良好的穩定性和重復性 ★輸出:4-20mA/0-5V/0-10V 離高溫區 ★通過CE認證 ★直接輸入到上位控制系統 ★內部80%…
 
                                    描述: PT4674型、PT4675型和PT4676型熔壓傳感器具有露出直徑為0.06"的毛細管,能以1/16"的半徑彎曲,可安裝在狹小的空間內。每種型號的產品均有內置放大器,為DCS或計算機提供4-20mA(PT4674型)、0-5Vdc(PT4675型)、1-6Vdc(PT4675B型)、0-10Vdc(PT4676型),或1-11Vd…
 
                                    工作特性 ★ HARTTM數字通信 ★ 綜合誤差優于 0.25% ★ 4-20mA 回路供電輸出 ★ 0-250 至 0-30,000 psi ★ 防爆、本質安全或 ATEX 認證 * ★ 符合 PED 和 CE 要求 優點 ★ 可通過手持方式進行配置 ★ 可重復性精密壓力測量 ★ 可將輸出直接傳送給 DCS 或 PLC ★ 用戶可…
